ZFSA Series Hydraulic Fixed Flange Alignment Tool
The ZFSA Series Hydraulic Fixed Flange Alignment Tool is an advanced solution designed to simplify the alignment process of flanged connections in piping systems. This tool is particularly essential in industrial applications where precision alignment is critical to ensure the integrity and efficiency of pipelines, reactors, and pressure vessels.
Key Features
- Hydraulic Operation: This system utilizes a hydraulic system to apply even and controlled force, ensuring accurate alignment of flanges with minimal manual effort. This reduces operator fatigue and enhances safety during the alignment process.
- Fixed Flange Design: The tool is engineered with a fixed flange design that accommodates various flange sizes and configurations, providing versatility across different applications.
- Robust Construction: Made from high-quality materials, the ZFSA tool offers exceptional durability and resistance to wear, ensuring long-term performance even in harsh environments.
- Precise Alignment: This product features precision-engineered components that enable accurate alignment of flanges, minimizing the risk of leaks and mechanical failures in piping systems.
- User-Friendly Interface: The tool’s intuitive controls allow operators to set up and adjust the alignment quickly.
- Compact and Portable: Its lightweight and portable design makes it easy to transport and use in various locations, ideal for on-site applications.
- Safety Mechanisms: Incorporates built-in safety features to prevent over-pressurization and ensure safe operation, providing peace of mind to operators.
Applications
- Pipeline Installation: This is essential for aligning flanged connections in pipeline installation projects, ensuring that all components fit together correctly.
- Maintenance and Repair: Used during maintenance and repair operations to realign flanges that may have become misaligned due to wear or external forces.
- Chemical Processing: Ideal for use in chemical processing plants where precise alignment is necessary to maintain the integrity of high-pressure systems.
- Oil and Gas Industry: Commonly employed in oil and gas applications for maintaining and installing pipelines and processing equipment.
- Power Generation: Utilized power plants to align flanges in steam and water piping systems, ensuring efficient operation and safety.
Benefits
- Increased Efficiency: Hydraulic operation significantly speeds up the alignment process, reducing downtime and increasing productivity in industrial operations.
- Enhanced Accuracy: Precision alignment capabilities lead to fewer leaks and operational issues, enhancing the overall reliability of piping systems.
- Operator Safety: The hydraulic system minimizes the physical strain on operators and includes safety features that protect against accidental misuse.
- Versatile Usage: It is suitable for a wide range of flange sizes and types, making it a versatile tool for various industries.
- Cost-effectiveness: Investing in a quality alignment tool reduces the likelihood of costly repairs and maintenance due to misalignment issues in the future.
The ZFSA Series Hydraulic Fixed Flange Alignment Tool is crucial for professionals involved in piping system installation and maintenance. Its advanced features, coupled with robust construction and ease of use, make it indispensable for achieving precise flange alignment and ensuring the integrity of critical industrial systems.
- Minimum Bolt Size: 16-31.5 mm
- Flange Wall Thickness: 16-31.5 mm
- Capacity: 1-10(10-90) ton(kN)
- Maximum Operating Pressure: 700 bar
(Just for ZSFA-9TE)
Hydraulic Fixed Flange Alignment Tool
- The Flange Alignment tools can align or re-align flange joints during pipework construction, commissioning, or routine maintenance.
- The tool is attached to the flange joint where misalignment is at its greatest and then pushes and pulls the flanges into the correct alignment (except ZSFA-9TE).
- The Flange Alignment tools rectify twist and rotational misalignment quickly, safely, and without needing an external power source.
- Appropriate for use on most ANSI, API, BS, and DIN flanges.
- No slings, hooks, or lifting gear is required.
- It can be installed and used in any position (horizontally or vertically).
- Portable, lightweight design enables easy transport and use, even in remote locations.
ZFSA-4TM
It is for use on medium-diameter, medium-pressure flanges.
Mechanical Fixed Flange and Rotational Alignment Tool.


ZFSA-9TM
It is for use on larger diameter, higher pressure flanges.
Mechanical Fixed Flange and Rotational Alignment Tool.


ZFSA-9TE
It is for use on larger diameter, higher pressure flanges.
Hydraulic Fixed Flange and Rotational Alignment Tool.


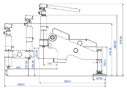
| Model Number | Max. Lifting Force | Min. Bolt Size | Flange wall Thickness (including gap between flanges) | Weight |
| ton(kN) | inch(mm) | inch(mm) | kg | |
| ZFSA-4TM | 4(40) | 0.95(24) | 1.18-5.23(30-133) | 8.6 |
| ZFSA-9TM | 10(90) | 1.24(31.5) | 3.66-9(93-228) | 16.5 |
| ZFSA-9TE | 10(90) | 1.24(31.5) | 3.66-9(93-228) | 16.5 |


